Трансформатор ТНГФ-1000/10-14-У/Ун-0
Климатическое исполнение трансформатора – У.
Трансформаторы могут эксплуатироваться при внутренней установке в районах с умеренным климатом, при этом:
••высота над уровнем моря – не более 1000 м;
••режим работы – длительный;
••температура окружающего воздуха – от -45 °С до +40 °С;
••относительная влажность воздуха – не более 100% при 25 °С;
••трансформаторы не предназначены для работы в условиях тряски, вибрации, ударов, во взрывоопасной и агрессивной среде.
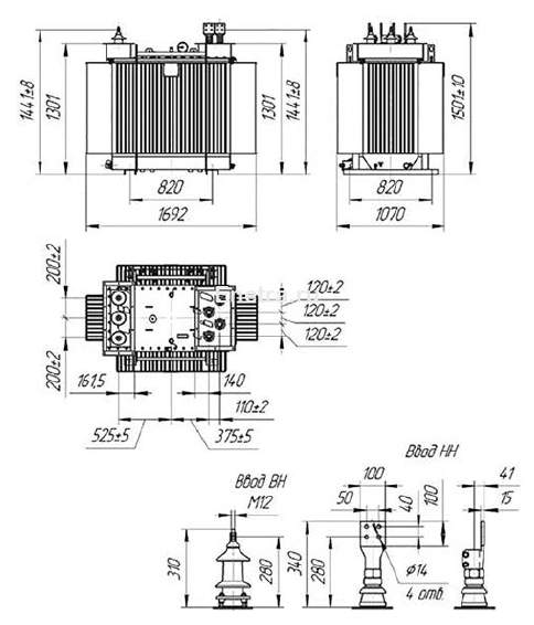
На крышке бака ТНГ-СЭЩ, ТНГФ-СЭЩ установлены вводы ВН и НН, привод переключателя, маслоуказатель поплавкового типа, термометр, клапан сброса давления.
Трансформаторы снабжены клапаном сброса избыточного давления, срабатывающего при повышении внутреннего давления свыше 50 кПа и обеспечивающим аварийный выхлоп газов.
| Наличие | Под заказ |
| Производитель | ЗАО "ГК "Электрощит", г. Самара |
| Мощность, кВА | 1000 |
| Напряжение по ВН, кВ | 10 |
| Напряжение по НН, кВ | 0,4 |
| Схема соединения обмоток | У/Ун-0 |
| Потери х.х., Вт | 1600 |
| Потери к.з., Вт | 11800 |
| Длина, мм | 1692 |
| Ширина, мм | 1070 |
| Высота, мм | 1441 |
| Масса полная, кг | 2420 |
Забрать трансформатор можно самостоятельно с нашего склада по адресу: Хабаровск, Суворова, 73К.
Обращаем ваше внимание – чтобы забрать оборудование со склада, необходимо заранее уточнить наличие товара по телефону: 8 800 770 06 88 или по электронной почте inbox@enetra.pro, а также ЗА СУТКИ передать информацию для пропуска автомобиля на склад, а именно: номер, марку, цвет, ФИО и паспортные данные водителя.
Важно: если покупатель физическое лицо – ему необходимо иметь при себе иметь паспорт/доверенность, если покупатель юридическое лицо – при себе нужно иметь доверенность и печать.
Наши клиенты могут оформить доставку в любой населенный пункт Сибирского и Дальневосточного федерального округа. Доставка осуществляется посредством транспортных компаний. Клиент может сам выбрать любую ТК, мы сотрудничаем с компаниями Деловые линии и GTD (Кит).
Доставка оборудования производится за дополнительную плату. Для расчета стоимости доставки необходимо сообщить менеджеру место поставки, срок работы объекта поставки, возможность самостоятельной разгрузки.
В случае отгрузки трансформатора автомобильным транспортом заказчика необходимо соблюдать следующие требования:
-
Должна быть возможность верхней загрузки — открытый верх, либо съемный тент, поскольку погрузка трансформатора осуществляется кран-балкой
-
Задняя верхняя либо боковая перекладина каркаса тента должна быть съемной
-
Настил пола прицепа или кузова должен быть деревянным
-
В кузове должны иметься узлы крепления для увязки трансформатора
Перед погрузкой настил бортовой платформы, опорные поверхности груза должны быть очищены от снега, льда и грязи. Основные борта могут наращиваться дополнительными бортами соответствующей высоты и прочности.
Размещение трансформатора в кузове транспортного средства должно обеспечить равномерное распределение его массы по всей площади бортовой платформы. Более тяжелые грузы должны размещаться ближе к продольной оси симметрии бортовой платформы автомобильного транспортного средства, а более легкие — ближе к бортам; более крупные, тяжелые грузы размещаются снизу.
Центр тяжести груза должен находиться как можно ниже над платформой и быть в середине длины кузова автомобильного транспортного средства. При погрузке нужно учитывать эффект снижения нагрузки. При разгрузке части груза может произойти перегрузка отдельных осей в результате изменения в распределении массы груза.
Важно: масса перевозимого груза и распределение нагрузки по осям не должны превышать величин, установленных изготовителем для данного транспортного средства. Загрузка автомобиля сверх номинальной грузоподъемности не допускается.
Трансформаторы размещаются в кузове автомобиля с соблюдением транспортной маркировки, предусмотренной ГОСТ 14192-96 «Маркировка грузов».
Погрузка и крепление оборудования в кузове автомобиля осуществляется работниками склада ООО «ЭНЕТРА».
Компания обеспечивает выполнение гарантийных обязательств, в частности ремонт силовых трансформаторов завода, по всему ассортименту продукции:
- Гарантийный срок минского силового трансформатора — 5 лет
- Гарантийный срок трансформаторных подстанций — 3 года.
